Przekształcenie betonowego szamba w oczyszczalnię ścieków to zadanie, które może przynieść wiele korzyści zarówno dla właścicieli domów, jak i dla środowiska. Proces ten polega na dodaniu systemu rozsączającego do istniejącego szamba, co pozwala na efektywne oczyszczanie ścieków. Dzięki temu, nie tylko poprawiamy jakość wody, ale również osiągamy znaczące oszczędności finansowe w dłuższej perspektywie.
W artykule przedstawimy krok po kroku, jak przeprowadzić tę modernizację, jakie materiały i narzędzia będą potrzebne, a także jakie korzyści płyną z takiej inwestycji. Omówimy również przepisy prawne, które regulują budowę oczyszczalni, oraz kwestie bezpieczeństwa, które należy wziąć pod uwagę podczas pracy. Dzięki temu, każdy zainteresowany właściciel może zrealizować ten projekt w sposób bezpieczny i zgodny z prawem.
Kluczowe wnioski:- Przekształcenie szamba w oczyszczalnię wymaga dodania systemu rozsączającego.
- Wybór odpowiednich materiałów i narzędzi jest kluczowy dla powodzenia projektu.
- Modernizacja szamba może przynieść znaczne oszczędności finansowe na dłuższą metę.
- Poprawa jakości środowiska i zdrowia mieszkańców to istotne korzyści z przekształcenia.
- Znajomość przepisów prawnych dotyczących budowy oczyszczalni jest niezbędna.
- Bezpieczeństwo pracy z materiałami budowlanymi oraz unikanie zagrożeń to kluczowe aspekty procesu.
Jak przerobić szambo betonowe na oczyszczalnię krok po kroku
Przekształcenie betonowego szamba w oczyszczalnię ścieków to proces, który można zrealizować w kilku krokach. Najpierw należy ocenić stan istniejącego szamba oraz jego położenie. Ważne jest, aby upewnić się, że szambo jest w dobrym stanie technicznym i że jego lokalizacja pozwala na budowę systemu rozsączającego. Dokładne planowanie jest kluczowe, aby uniknąć problemów w przyszłości.
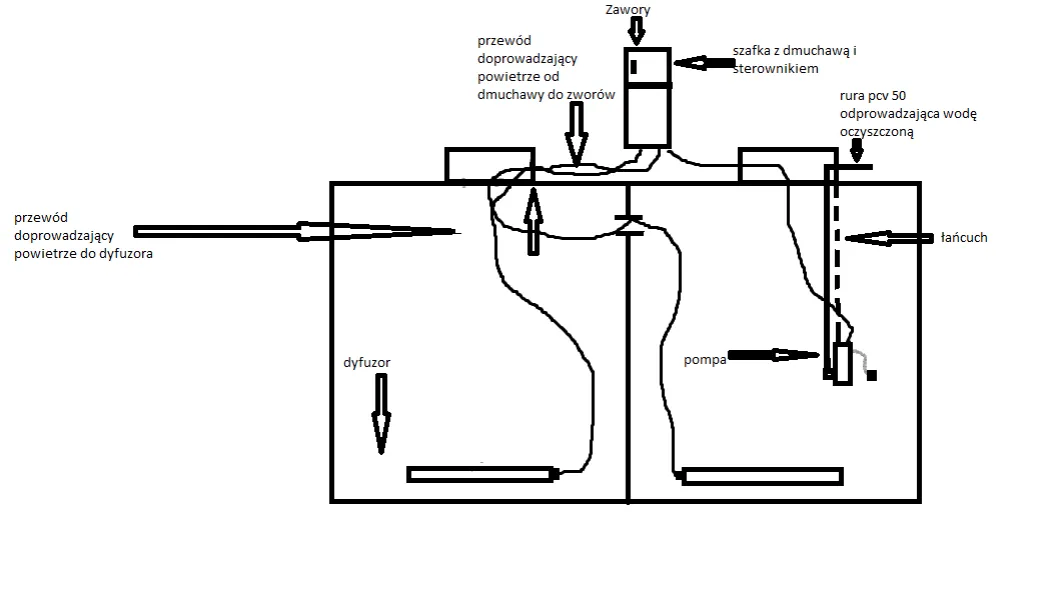
Po dokonaniu oceny, kolejnym krokiem jest dostosowanie szamba poprzez dobudowanie systemu rozsączającego. W tym celu konieczne będzie wykopanie odpowiednich rowów oraz umieszczenie w nich rur i filtrów. System rozsączający powinien być zaprojektowany w taki sposób, aby skutecznie rozprowadzać ścieki na odpowiedniej powierzchni, co pozwoli na ich naturalne oczyszczanie. Warto zwrócić uwagę na lokalne przepisy dotyczące budowy oczyszczalni, aby zapewnić zgodność z wymaganiami prawnymi.
Wybór odpowiednich materiałów do przeróbki szamba
Wybór materiałów do przeróbki szamba jest kluczowy dla powodzenia całego projektu. Należy zaopatrzyć się w odpowiednie filtry, rury oraz zbiorniki, które będą wykorzystywane w nowym systemie. Filtry biologiczne, takie jak np. filtry piaskowe czy filtry żwirowe, są często stosowane, ponieważ skutecznie usuwają zanieczyszczenia. Rury PVC są popularnym wyborem ze względu na swoją trwałość i łatwość montażu.
Narzędzia potrzebne do przebudowy szamba betonowego
Do przeróbki szamba betonowego na oczyszczalnię ścieków potrzebne będą odpowiednie narzędzia, które ułatwią cały proces. Kluczowe są łopaty do wykopania rowów oraz wiertnice, które pomogą w instalacji rur. Dodatkowo, poziomice są niezbędne do zapewnienia, że wszystkie elementy są prawidłowo ustawione i działają zgodnie z planem. Warto również zaopatrzyć się w miarę, aby dokładnie określić wymiary wykopów i rozkładu systemu rozsączającego.
- Łopata – do wykopania rowów i przygotowania terenu.
- Wiertnica – do precyzyjnego wiercenia otworów w betonie.
- Poziomica – do sprawdzania poziomu instalacji.
- Miara – do dokładnego pomiaru długości i głębokości wykopów.
- Rękawice robocze – dla ochrony rąk podczas pracy.
Oszczędności finansowe wynikające z modernizacji
Przekształcenie szamba betonowego w oczyszczalnię ścieków może przynieść znaczące oszczędności finansowe. Po pierwsze, modernizacja systemu pozwala na zredukowanie kosztów związanych z konserwacją, które mogą być znaczne w przypadku starszych systemów. Na przykład, właściciele domów, którzy przeszli na nowoczesne oczyszczalnie, często zauważają spadek wydatków na usługi asenizacyjne, które mogą wynosić od 300 do 600 zł rocznie. Dodatkowo, wiele gmin oferuje dotacje lub ulgi podatkowe dla osób, które inwestują w ekologiczne rozwiązania, co może obniżyć całkowite koszty modernizacji.
Co więcej, nowoczesne systemy oczyszczania są bardziej efektywne, co przekłada się na mniejsze zużycie wody oraz energii. Dzięki temu można zaoszczędzić na rachunkach za media. Warto również pamiętać, że długoterminowe oszczędności mogą wynikać z mniejszej potrzeby napraw i wymiany elementów systemu, co dodatkowo zwiększa opłacalność tej inwestycji.
Poprawa jakości środowiska i zdrowia
Przekształcenie szamba w oczyszczalnię ścieków ma również pozytywny wpływ na jakość środowiska. Nowoczesne systemy oczyszczania skutecznie redukują zanieczyszczenia, co przyczynia się do poprawy jakości wód gruntowych i powierzchniowych. Mniej zanieczyszczeń oznacza lepsze warunki dla lokalnej flory i fauny, co jest korzystne dla ekosystemu. Dodatkowo, zmniejszenie emisji nieprzyjemnych zapachów oraz ryzyka zanieczyszczenia gleby wpływa na zdrowie mieszkańców pobliskich terenów.
Oczyszczalnie ścieków eliminują również ryzyko wystąpienia chorób przenoszonych przez wodę, co jest szczególnie istotne w obszarach wiejskich. Dzięki skutecznemu oczyszczaniu, mieszkańcy mogą cieszyć się lepszą jakością życia, a ich otoczenie staje się bardziej przyjazne i zdrowe. W dłuższej perspektywie, inwestycja w nowoczesne systemy oczyszczania przyczynia się do zrównoważonego rozwoju i ochrony środowiska naturalnego.
Przepisy prawne dotyczące oczyszczalni ścieków
Instalacja oczyszczalni ścieków wiąże się z przestrzeganiem określonych przepisów prawnych, które różnią się w zależności od lokalizacji. Aby zrealizować projekt, należy najpierw zapoznać się z wymaganiami dotyczącymi pozwoleń budowlanych oraz innych regulacji, które mogą być nałożone przez lokalne władze. W wielu przypadkach, przed rozpoczęciem budowy, konieczne jest uzyskanie zgody na budowę, co może obejmować przedstawienie szczegółowego planu inwestycji oraz dokumentacji technicznej. Przepisy te mają na celu zapewnienie, że systemy oczyszczania są zgodne z normami ochrony środowiska oraz nie zagrażają zdrowiu publicznemu.
Warto również zwrócić uwagę na przepisy dotyczące odprowadzania ścieków oraz ich jakości. Wiele gmin wymaga, aby oczyszczalnie były regularnie kontrolowane i utrzymywane w odpowiednim stanie. Niezastosowanie się do tych regulacji może prowadzić do nałożenia kar finansowych oraz obowiązku przywrócenia zgodności z przepisami. Dlatego przed przystąpieniem do budowy, zaleca się konsultację z odpowiednimi organami, aby upewnić się, że wszystkie wymagania zostały spełnione.
Wymagania dotyczące uzyskania zezwoleń na budowę
Aby uzyskać zezwolenie na budowę oczyszczalni ścieków, należy przejść przez określony proces aplikacyjny, który może różnić się w zależności od lokalnych przepisów. Pierwszym krokiem jest przygotowanie wniosku, który powinien zawierać szczegółowy opis planowanej inwestycji oraz jej wpływu na środowisko. Konieczne może być również dostarczenie dokumentacji technicznej, która potwierdzi, że projekt spełnia wszystkie normy i standardy budowlane. W niektórych przypadkach, władze mogą wymagać przeprowadzenia analizy oddziaływania na środowisko, co może wydłużyć czas oczekiwania na decyzję.Po złożeniu wniosku, organ odpowiedzialny za wydanie zezwoleń ma określony czas na rozpatrzenie dokumentacji. W przypadku pozytywnej decyzji, inwestor otrzymuje zezwolenie na budowę, które należy umieścić w widocznym miejscu na placu budowy. Należy pamiętać, że przestrzeganie wszystkich wymagań prawnych jest kluczowe, aby uniknąć problemów związanych z legalnością inwestycji.
Zasady dotyczące eksploatacji oczyszczalni ścieków
Utrzymanie oczyszczalni ścieków w dobrym stanie technicznym jest kluczowe dla jej efektywności i długowieczności. Regularne inspekcje systemu pozwalają na wczesne wykrycie potencjalnych problemów, takich jak zatykanie rur czy uszkodzenia elementów filtracyjnych. Warto przeprowadzać takie kontrole co najmniej raz w roku, aby zapewnić, że system działa zgodnie z założeniami. Dodatkowo, czyszczenie elementów systemu, takich jak filtry, powinno być wykonywane zgodnie z zaleceniami producenta.
Oprócz inspekcji, ważne jest również, aby monitorować jakość wody odprowadzanej z oczyszczalni. Regularne testy pozwalają na ocenę skuteczności oczyszczania i identyfikację ewentualnych problemów. W przypadku wykrycia nieprawidłowości, należy natychmiast podjąć działania naprawcze, aby uniknąć zanieczyszczenia środowiska. Pamiętaj, że odpowiednia eksploatacja i konserwacja oczyszczalni nie tylko wpływa na jej sprawność, ale również na zdrowie i bezpieczeństwo osób korzystających z systemu.
Czytaj więcej: Czy fotowoltaika ma sens? Sprawdź korzyści i wyzwania inwestycji

Bezpieczeństwo podczas przeróbki szamba betonowego
Podczas przeróbki szamba betonowego na oczyszczalnię ścieków, przestrzeganie zasad bezpieczeństwa jest kluczowe. Praca z materiałami budowlanymi i urządzeniami może wiązać się z różnymi zagrożeniami, dlatego warto zadbać o odpowiednie wyposażenie ochronne, takie jak rękawice, gogle i maski. Dobrze jest również mieć na uwadze, aby w miejscu pracy znajdowały się odpowiednie środki do udzielania pierwszej pomocy, na wypadek nieprzewidzianych sytuacji.
Ważne jest, aby przed rozpoczęciem prac dokładnie zaplanować wszystkie etapy przebudowy. Należy upewnić się, że obszar roboczy jest odpowiednio oznaczony i zabezpieczony, aby zminimalizować ryzyko wypadków. Pracownicy powinni być przeszkoleni w zakresie zasad bezpieczeństwa oraz obsługi narzędzi. Pamiętaj, że odpowiednie przygotowanie i przestrzeganie zasad bezpieczeństwa to klucz do udanej i bezpiecznej modernizacji szamba na oczyszczalnię.
Nowoczesne technologie w oczyszczalniach ścieków – przyszłość
W miarę jak technologia się rozwija, nowoczesne rozwiązania w zakresie oczyszczania ścieków stają się coraz bardziej dostępne i efektywne. Warto rozważyć zastosowanie inteligentnych systemów monitorowania, które wykorzystują czujniki do analizy jakości wody w czasie rzeczywistym. Takie technologie pozwalają na natychmiastowe wykrywanie problemów, co zwiększa efektywność działania oczyszczalni i minimalizuje ryzyko zanieczyszczenia środowiska. Dzięki integracji z aplikacjami mobilnymi, użytkownicy mogą na bieżąco śledzić stan systemu i otrzymywać powiadomienia o potrzebnych interwencjach.
Dodatkowo, ekologiczne technologie, takie jak systemy odzysku energii z procesów oczyszczania, stają się coraz bardziej popularne. Dzięki nim, możliwe jest wykorzystanie biogazu produkowanego w trakcie oczyszczania ścieków do zasilania urządzeń lub ogrzewania budynków. Wprowadzenie takich rozwiązań nie tylko obniża koszty eksploatacji, ale również przyczynia się do ochrony środowiska, tworząc bardziej zrównoważone systemy zarządzania ściekami. Inwestycje w nowoczesne technologie mogą przynieść długoterminowe korzyści finansowe oraz ekologiczne, co czyni je atrakcyjną opcją dla właścicieli nieruchomości.




