Wybór bezpiecznika automatycznego do domu jest kluczowy dla zapewnienia bezpieczeństwa instalacji elektrycznej. Istnieje wiele czynników, które należy wziąć pod uwagę, takich jak rodzaj instalacji, poziom ryzyka przepięcia oraz wymagania mocowe. Odpowiednio dobrany bezpiecznik może ochronić przed niebezpieczeństwami, takimi jak pożar czy uszkodzenie sprzętu elektronicznego.
Warto pamiętać, że w każdym domu jednorodzinnym lub mieszkaniu obowiązkowe są bezpieczniki różnicoprądowe. Dodatkowo, w rejonach narażonych na częste burze lub w domach z dużą ilością elektroniki, bezpieczniki przeciwprzepięciowe stają się niezbędne. Wybór odpowiedniego amperażu również ma ogromne znaczenie, dlatego warto skonsultować się z wykwalifikowanym elektrykiem przy instalacji bardziej zaawansowanych urządzeń.
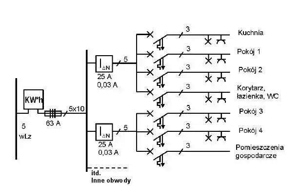
Kluczowe informacje:- Bezpieczniki różnicoprądowe są obowiązkowe w każdym domu.
- Bezpieczniki przeciwprzepięciowe są zalecane w obszarach z częstymi burzami.
- Dobór odpowiedniego amperażu jest kluczowy dla bezpieczeństwa.
- Proste bezpieczniki topikowe można wymieniać samodzielnie.
- Zaawansowane bezpieczniki powinny być instalowane przez specjalistów.
Wybór odpowiedniego bezpiecznika automatycznego dla Twojego domu
Wybór bezpiecznika automatycznego jest kluczowy dla bezpieczeństwa każdej instalacji elektrycznej. Odpowiedni dobór tego elementu może uchronić przed poważnymi zagrożeniami, takimi jak pożar czy uszkodzenie sprzętu. Warto zwrócić uwagę na różne czynniki, które wpływają na ten proces, takie jak rodzaj instalacji, poziom ryzyka przepięcia oraz wymagania mocowe.Wybór bezpiecznika automatycznego jest kluczowy dla bezpieczeństwa każdej instalacji elektrycznej. Odpowiedni dobór tego elementu może uchronić przed poważnymi zagrożeniami, takimi jak pożar czy uszkodzenie sprzętu. Warto zwrócić uwagę na różne czynniki, które wpływają na ten proces, takie jak rodzaj instalacji, poziom ryzyka przepięcia oraz wymagania mocowe.Bezpieczniki różnicoprądowe są obowiązkowe w każdym domu jednorodzinnym lub mieszkaniu w bloku. Dodatkowo, w rejonach narażonych na częste burze, niezbędne mogą być bezpieczniki przeciwprzepięciowe. Właściwe dobranie amperażu bezpiecznika jest kluczowe, aby zapewnić bezpieczeństwo i niezawodność instalacji elektrycznej. Pamiętaj, że proste bezpieczniki topikowe można wymieniać samodzielnie, ale bardziej skomplikowane systemy powinny być instalowane przez wykwalifikowanego elektryka.
Rodzaje bezpieczników automatycznych i ich zastosowanie
Na rynku dostępne są różne typy bezpieczników automatycznych, które różnią się przeznaczeniem i zastosowaniem. Do najpopularniejszych należą bezpieczniki różnicoprądowe, nadprądowe oraz przeciwprzepięciowe. Bezpieczniki różnicoprądowe chronią przed porażeniem prądem, wykrywając różnicę w prądzie wpływającym i wypływającym z obwodu.
Bezpieczniki nadprądowe zabezpieczają instalację przed przeciążeniem, co jest istotne, gdy w domu używamy wielu urządzeń jednocześnie. Natomiast bezpieczniki przeciwprzepięciowe chronią elektronikę przed nagłymi wzrostami napięcia, co jest szczególnie ważne w obszarach z częstymi burzami. Wybór odpowiedniego typu bezpiecznika zależy od specyfiki instalacji oraz potrzeb domowników.Każdy z tych typów ma swoje specyficzne zastosowanie, a ich poprawne dobranie może znacząco wpłynąć na bezpieczeństwo w domu. Warto zasięgnąć porady specjalisty, aby upewnić się, że wybrany bezpiecznik będzie odpowiedni do danej instalacji.
Jak obliczyć odpowiednią wartość amperażu dla instalacji
Obliczenie odpowiedniego amperażu bezpiecznika jest kluczowe dla bezpieczeństwa instalacji elektrycznej. Wartość ta powinna być dostosowana do potrzeb domowych i rodzaju używanych urządzeń. Zwykle, aby określić odpowiedni amperaż, należy zsumować moc wszystkich urządzeń, które będą podłączone do danego obwodu.
Na przykład, jeśli w obwodzie znajdują się urządzenia o łącznej mocy 3000 W, a napięcie w instalacji wynosi 230 V, można obliczyć potrzebny amperaż, dzieląc moc przez napięcie: 3000 W / 230 V ≈ 13 A. W takim przypadku warto wybrać bezpiecznik o wartości amperażu nieco wyższej, na przykład 16 A, aby zapewnić odpowiedni margines bezpieczeństwa.
| Urządzenie | Moc (W) | Amperaż (A) |
| Żarówka LED | 10 | 0,04 |
| Telewizor | 150 | 0,65 |
| Lodówka | 200 | 0,87 |
| Pralka | 2000 | 8,7 |
Bezpieczeństwo instalacji elektrycznej a dobór bezpiecznika
Bezpieczeństwo instalacji elektrycznej jest kluczowe w każdym domu. Właściwy dobór bezpiecznika automatycznego może znacząco wpłynąć na ochronę przed zagrożeniami, takimi jak pożar czy porażenie prądem. Należy pamiętać, że każdy typ bezpiecznika ma swoje specyficzne zastosowanie i powinien być dobrany zgodnie z wymaganiami instalacji elektrycznej w domu.
Wybierając odpowiedni bezpiecznik automatyczny, warto zwrócić uwagę na jego parametry techniczne oraz zgodność z normami bezpieczeństwa. Na przykład, bezpieczniki różnicoprądowe są obowiązkowe w każdym budynku mieszkalnym, aby chronić przed porażeniem prądem. Odpowiednia instalacja i dobór bezpieczników mogą zminimalizować ryzyko wystąpienia awarii oraz zwiększyć komfort użytkowania urządzeń elektrycznych.
Wymagania dotyczące instalacji bezpieczników automatycznych
Instalacja bezpieczników automatycznych w domach musi spełniać określone wymagania prawne i techniczne. W Polsce, zgodnie z przepisami, każdy dom powinien być wyposażony w odpowiednie zabezpieczenia, które chronią przed przeciążeniem oraz zwarciem. Niezbędne jest, aby instalacje były wykonane przez wykwalifikowanych elektryków, którzy posiadają odpowiednie certyfikaty.
Ważne jest również, aby wszystkie elementy instalacji elektrycznej były zgodne z normami PN-IEC. Oprócz tego, bezpieczniki różnicoprądowe powinny być regularnie testowane, aby upewnić się, że działają prawidłowo. Przestrzeganie tych wymagań jest kluczowe dla bezpieczeństwa użytkowników oraz ochrony mienia.
Jak unikać zagrożeń związanych z przepięciami w domu
Przepięcia w instalacji mogą prowadzić do poważnych uszkodzeń sprzętu elektronicznego. Aby ich uniknąć, warto zainwestować w bezpieczniki przeciwprzepięciowe, które skutecznie chronią przed nagłymi wzrostami napięcia. Dobrze dobrane zabezpieczenia mogą zminimalizować ryzyko uszkodzenia urządzeń.
Innym sposobem na ochronę przed przepięciami jest stosowanie filtrów przeciwprzepięciowych w gniazdkach. Te urządzenia mogą pomóc w zabezpieczeniu wrażliwej elektroniki, takiej jak komputery czy telewizory. Warto również unikać przeciążania instalacji, co może prowadzić do zwarć i uszkodzeń.
W przypadku burzy, zaleca się odłączenie sprzętu elektronicznego od zasilania. To prosty sposób, aby zminimalizować ryzyko uszkodzenia w wyniku przepięć. Pamiętaj, że odpowiednia ochrona to klucz do długowieczności Twojej elektroniki.
Czytaj więcej: Gdzie znajdują się bezpieczniki w BMW X3 F25? Oto kluczowe informacje
Przykłady zastosowania bezpieczników w różnych sytuacjach
Wybór odpowiedniego bezpiecznika automatycznego jest kluczowy w różnych sytuacjach domowych. Na przykład, w domach z dużą ilością elektroniki, takich jak komputery, telewizory i sprzęt audio, konieczne jest zastosowanie bezpieczników różnicoprądowych oraz przeciwprzepięciowych. Te zabezpieczenia chronią nie tylko ludzi, ale również wrażliwą elektronikę przed uszkodzeniami.
W przypadku domów jednorodzinnych, gdzie instalacja elektryczna obsługuje wiele urządzeń jednocześnie, warto zainwestować w bezpieczniki nadprądowe. Te urządzenia skutecznie zabezpieczają przed przeciążeniem, co jest szczególnie ważne, gdy korzystamy z kilku urządzeń w tym samym czasie. Odpowiednie zabezpieczenie może zminimalizować ryzyko awarii oraz zwiększyć komfort korzystania z energii elektrycznej.
Jakie bezpieczniki wybrać w domach z dużą elektroniką
W domach z dużą elektroniką kluczowe jest odpowiednie dobranie bezpieczników automatycznych. W takich przypadkach, zaleca się stosowanie bezpieczników różnicoprądowych, które chronią przed porażeniem prądem. Dodatkowo, warto zainwestować w bezpieczniki przeciwprzepięciowe, które zabezpieczają sprzęt przed nagłymi wzrostami napięcia, zwłaszcza w rejonach narażonych na burze.
Warto również rozważyć zastosowanie bezpieczników nadprądowych o odpowiednim amperażu, które będą w stanie obsłużyć wszystkie urządzenia w danym obwodzie. Na przykład, dla domów, gdzie używa się sprzętu o dużej mocy, takich jak klimatyzatory czy piece elektryczne, dobór bezpiecznika o wyższej wartości amperażu jest niezbędny, aby zapewnić bezpieczeństwo instalacji elektrycznej.
- Bezpieczniki różnicoprądowe dla ochrony przed porażeniem prądem
- Bezpieczniki przeciwprzepięciowe dla zabezpieczenia elektroniki
- Bezpieczniki nadprądowe do ochrony przed przeciążeniem
Wybór odpowiednich bezpieczników automatycznych kluczem do bezpieczeństwa
Wybór odpowiednich bezpieczników automatycznych jest kluczowy dla zapewnienia bezpieczeństwa instalacji elektrycznej w domu. W szczególności, w domach z dużą ilością elektroniki, zastosowanie bezpieczników różnicoprądowych oraz przeciwprzepięciowych jest niezbędne, aby chronić zarówno ludzi, jak i wrażliwe urządzenia przed uszkodzeniami. Odpowiednie zabezpieczenia pomagają zminimalizować ryzyko awarii oraz zwiększają komfort korzystania z energii elektrycznej.
Dodatkowo, ważne jest, aby dobór bezpieczników nadprądowych był dostosowany do specyfiki używanych urządzeń. Na przykład, w domach, gdzie korzysta się z dużych sprzętów, takich jak klimatyzatory czy piece elektryczne, konieczne jest zastosowanie bezpieczników o wyższej wartości amperażu. Właściwy dobór zabezpieczeń elektrycznych nie tylko zapewnia bezpieczeństwo, ale również wpływa na długowieczność sprzętu w gospodarstwie domowym.




